安徽威帆传动机械有限公司-产品资料
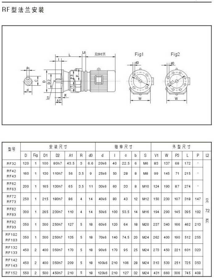
RF型法兰安装,外型安装尺寸
上一页
下一页
上一页
下一页
Copyright © 2007 - 2026 All Rights Reserved 安徽威帆传动 www.hf-hj.com